Swimming Pools
- ေရကူးတာ က က်န္းမာေရး အတြက္ အေထာက္အကူ ျပဳတဲ့ အားကစား တစ္ခု ျဖစ္သလို ေပ်ာ္စရာ လည္း ေကာင္းပါတယ္။ အသက္အရြယ္ မေရြး (ပိန္ပိန္၊ ဝဝ) သင့္ေတာ္တဲ့၊ သက္ေတာင့္သက္သာ လုပ္လို႔ရတဲ့ ေလ့က်င့္ခန္း တစ္ခု ျဖစ္သလို၊ အေရးၾကံဳရင္ သက္လံုေကာင္းေစ ဘို႔အတြက္ ကြ်မ္းက်င္မႈ (Survival skill ) တစ္ခု လည္း ျဖစ္ပါတယ္။ ( စနစ္မက်ေတာင္ ေရေကာင္းေကာင္း ကူးတတ္ဘို႔ ေတာ့ လိုတာေပါ့။ ေကာင္းေကာင္း မကူးတတ္ ရင္ေတာင္မွ ေရတိမ္တိမ္မွာ ေဘာကြင္းနဲ႔ ေဆာ့ႏိုင္ပါေသးတယ္။ (ေရမကူးတတ္ရင္ ေတာ့ ေရကူးကြ်မ္းက်င္ တဲ့ အေဖာ္ပါမွ ေဆာ့ေစခ်င္ပါတယ္။)
- ေအးေအးေဆးေဆး နဲ႔ အႏၲရာယ္ ကင္းကင္း ေရကူး ခ်င္သူေတြ အတြက္ လိုအပ္ခ်က္ ေတြ ကို Swimming Pools (ေရကူးကန္) ေတြ က ျဖည့္ဆီးေပးေနပါတယ္။
- ေတြ႕ေနက် Concrete နဲ႔ လုပ္ထားတဲ့ ကန္ေတြသာမက အလြယ္တကူ ဆင္ႏိုင္တဲ့ Fiber-glass ကန္ေတြ၊ Steel Reinforced Tank ေတြ လည္း ရွိပါတယ္။
- Swimming Pool MEP Systems ေတြ ကို Pool Specialist Contractor ေတြ က ပဲ Installation လုပ္ေပး ေလ့ရွိပါတယ္။ Architects နဲ႔ Structure Engineers ေတြ နဲ႔ Coordinate လုပ္ရတာ ေတာ့ ရွိပါတယ္။ တစ္ခါတစ္ရံ Lighting Specialist Consultants ရဲ့ လိုအပ္ခ်က္ ပါဝင္ တတ္ပါတယ္။
- ေအာက္မွာ ေဖာ္ျပထားတာ ေတြ က အေျခခံ ကို သိရွိ နားလည္ေစ ဘို႔ ရည္ရြယ္ပါတယ္။
- တကယ္အသံုးခ် ရမွာမို႔ ပိုၿပီး အေသးစိတ္ သိခ်င္ရင္ ေတာ့ ကိုယ္တိုင္ စာလည္း ရွာဖတ္ ၿပီးေတာ့ Specialist နဲ႔ လည္း ေဆြးေႏြး ဘို႔ လိုအပ္ပါလိမ့္မယ္။ Specialist Contractors ေတြ က လုပ္ငန္းအေတြ႕ အၾကံဳလည္းရွိ၊ Fittings Supply (အစိတ္အပိုင္း ပစၥည္း) ေတြ ကို လည္း Supply လုပ္ႏိုင္တာမို႔ပါ။ Calculation အတြက္အခ်က္ နဲ႔ Code / Regulation Requirements ေတြနဲ႔ ရင္းႏွီးတာမို႔ လိုအပ္တဲ့ Technical Support ကို ေကာင္းေကာင္းေပးႏိုင္ပါတယ္။
- Introduction
- အခုေခတ္ ေရကူးကန္ ေတြ က ေရျဖည့္လိုက္၊ ညစ္ပတ္လာရင္ (ႏွစ္ပါတ္ တစ္ခါေလာက္ ေဖာက္ထုတ္လိုက္) လုပ္ရတဲ့ အမ်ိဳးအစား ေတြ မဟုတ္ေတာ့ ပါဘူး။
- တိုးတက္လာတဲ့ Chemical Treatment နဲ႔ Continuous Filtrations စနစ္ေတြ က ေရေတြ ကို ပိုၿပီး ၾကည္လင္ ေစယံု မက ေရရဲ့ သန္႔ရွင္းမႈ ကို လည္း ပိုေကာင္းလာေစပါတယ္။ ၾကည့္လိုက္ရင္ ကန္ေအာက္ေျခ ကို ရွင္းရွင္းလင္းလင္း ျမင္ႏိုင္ေလာက္ေအာင္ ကို ၾကည္လင္ေနေလ့ ရွိ ပါတယ္။ ေရရဲ့ အေရာင္ က ေအာက္ခံေက်ာက္ျပား ရဲ့ အေရာင္ ကို ေကာင္းေကာင္း ေရာင္ျပန္ ဟပ္တာကို လည္း ေတြ႕ရပါမယ္။ ဒါေၾကာင့္ ေက်ာက္ျပား အျပာေတြ သံုးထားရင္ ေရေတြက ျပာေနတယ္ လို႔ ထင္ရေစၿပီး အစိမ္း သံုးထားရင္ေတာ့ ေရေတြက စိမ္းေနတယ္ လို႔ ထင္ရပါလိမ့္မယ္။
- စနစ္တက် ဒီဇိုင္းလုပ္ တတ္ဆင္ထားတဲ့ Underwater Light ေတြ က လည္း Swimming Pools ေတြ ကို ပိုၿပီး ဆြဲေဆာင္မႈ ေပးပါတယ္။
- ဟိုတယ္၊ ကြန္ဒို ေတြ မွာ က ေရကူးကန္ က အဓိက အေဆာင္အေယာင္ အေနနဲ႔ ပါဝင္ပါတယ္။ တိုးတက္တဲ့ ႏိုင္ငံေတြ မွာ ေတာ့ Public Pool ေတြ က လြယ္လြယ္ ကူကူ ေရာက္ႏိုင္တဲ့ ေနရာေတြ မွာ ရွိေနပါတယ္။ Private Housing အိမ္ေတြ မွာလည္း အေဆာင္အေယာင္ တစ္ခု အေနနဲ႔ ထည့္သြင္း တတ္ၾကပါတယ္။ ေရကူးကန္ ရဲ့ အရြယ္အစား က လည္း ခပ္ေသးေသး က ေန အိုလံပစ္ အရြယ္ အႀကီးစား ေတြ အထိ ျဖစ္ႏိုင္ျပန္ပါတယ္။
- စကာၤပူ မွာ ဆိုရင္ Public Pool ေတြ က လူေနအိမ္ေတြ ရဲ့ မလွမ္းမကမ္း ေနရာ ေတြ မွာ ရွိေန တာ ကို ေတြ႕ႏိုင္ ပါတယ္။
- အျပင္ကေန ၾကည့္ရင္ေတာ့ နားနားေနေန ထိုင္ဘို႔ ခံု နဲ႔ အဆင္တန္ဆာ ေတြ၊ ေရထဲဆင္းဘို႔ Ladder နဲ႔ ေရေတြ ျပည့္ေနတဲ့ ေရကူးကန္ ကို ပဲ ျမင္ရပါလိမ့္မယ္။ ဒါေပမဲ့ ဒီကန္ ထဲကေရေတြ ကို အၿမဲ ၾကည္လင္ၿပီး သန္႔စင္ေန ေအာင္ လုပ္ထားတဲ့ MEP System ေတြ ကို သတိျပဳခ်င္ မွ ျပဳမိပါလိမ့္မယ္။
- MEP Systems ေတြ ရဲ့ အသံုး ဟာ ေရကူးကန္ တစ္ခု ရဲ့ အဓိက အက်ဆံုး ကုန္က်စရိတ္ Life Cycle Cost ျဖစ္ေလ့ ရွိပါတယ္။ ထိန္းသိမ္းလည္ပတ္ ဘို႔ အတြက္ အကုန္အက် မ်ားေလ့ရွိပါတယ္။
- ေရကူးကန္ အတြက္ MEP Systems ေတြ ရဲ့ အဓိက တာဝန္ က ေတာ့ လူကို အႏၲရာယ္ ေပးမဲ့ အညစ္အေၾကး ေတြ ကို ေရထဲ က ေန အဆက္မျပတ္ (Continuously) စစ္ထုတ္ ဖယ္ရွား ႏိုင္ဘို႔ နဲ႔ ေရေအာက္ မွာ အလင္းေရာင္ ေကာင္းေကာင္း ရေအာင္ လုပ္ေပးဘို႔ ျဖစ္ပါတယ္။ ဒါေၾကာင့္လည္း အကုန္အက် မ်ားရတာ ျဖစ္ပါတယ္။
- Water Quality
- Environmental Health လိုအပ္ခ်က္ ေတြ အရ ေရရဲ့ Quality ကို (သံုးစြဲေနတဲ့) အခ်ိန္ျပည့္ ထိန္းသိမ္းထားေပးႏိုင္ဘို႔ လိုအပ္ပါတယ္။ Water Quality ဆိုတဲ့ ေနရာမွာ။
- Physical Quality (အေရာင္ (သို႔) ၾကည္လင္မႈ၊၊ အနံ႔၊ စသည္... )
- Biological Quality (ပိုးမႊား၊ ဘက္တီးရီးယား ကင္းစင္မႈ၊ )
- Chemical Quality (Residual Chlorine, PH, other concentrations, etc.)
- ဒီလိုအပ္ခ်က္ေတြ ကို ျဖည့္ဘို႔ အတြက္ Water Filtration & Treatment Systems ေတြ လိုအပ္ပါတယ္။ ဒီစနစ္ ရဲ့ အဓိက တာဝန္ ေတြ ကေတာ့၊
- ေရထဲမွာ ပါဝင္ႏိုင္တဲ့ အဏုဇီဝ ေရာဂါပိုးမႊားေတြ ကို သုတ္သင္ဖယ္ရွား ေပးႏိုင္ဘို႔။
- ေရညွိ မတက္ေစဘို႔
- အနံ႔ဆိုး နဲ႔ ေအာ္ဂလီ ဆန္မဲ့ အရသာ ကို ဖယ္ရွားဘို႔။
- မ်က္ေစ့ နဲ႔ ႏွာေခါင္း ယားယံေစတာ ကို မျဖစ္ေစဘို႔။
- ေရခ်ိဳး (ဂ်ိဳး) မကပ္ေစဘို႔
- ေရေတြ ၾကည္လင္ ၿပီး အေရာင္ တလက္လက္ ေနေစဘို႔။
- Fixtures နဲ႔ Fittings ေတြ Corrosion မျဖစ္ေစဘို႔။
- လူေတြ က ဆက္တိုက္ သံုးေနတာ နဲ႔ အတူ ဒီ Treatment ေတြ ကို လည္း Continuously အဆက္မျပတ္
လုပ္ေပးေနရမွာ ျဖစ္ပါတယ္။ အျပင္က က်လာမဲ့ ျမက္၊ ခဲ၊ သစ္ရြက္၊ စကၠဴ၊ ဖုန္၊
အမိႈက္ ေတြ ေၾကာင့္သာ မက ေရကူးတဲ့ သူေတြ က ေန ထြက္လာမဲ့ ေသး (ရႈရႈး)၊
ေခြ်း၊ dead skins အေရခြံ၊
ဆံပင္၊ တံေတြး၊ ႏွပ္၊ သလိပ္၊ မိတ္ကပ္၊ ေခါင္းလိမ္းဆီ၊ စတာ ေတြ နဲ႔ အတူ
ပါလာမဲ့ ေရာဂါပိုးမႊား ေတြ ကို လည္း ဆက္မပြားေစပဲ သန္႔စင္ ေပးႏိုင္ဘို႔
လိုပါတယ္။
(ေရျမင္ရင္ ရႈရႈး ေပါက္ခ်င္ တာက လူေတြ ရဲ့ ဗီဇ မို႔ ေရကူးကန္ ထဲ ေရကူးရင္း ရႈရႈး ေပါက္ ခ်တတ္ၾကတာ သဘာဝ ပါ။ ဘယ္သူမွ လည္း ႏွပ္ေတြ တံေတြးေတြ ကို မ်ိဳခ် ေနမွာ မဟုတ္ပါဘူး။ ကလိုရင္း ရဲ့ အနံ႔ ေၾကာင့္ ႏွပ္ေတြ က လည္း ပိုေတာင္ ထြက္ပါေသးတယ္။ အားစိုက္လို႔ ထြက္လာတဲ့ ေခြ်းေတြ ကလည္း ေရထဲ ေပ်ာ္၊ ေသခ်ာ ေရမေဆး လာတဲ့ ဒြာရေတြ က....
ရြံတတ္ရင္ေတာ့ ရြံေပါ့ေလ။ ဟာဟ ! သိပ္လည္း မစိုးရိမ္ ပါနဲ႔။ ဒါေတြ က ျမင္ရတာ မဟုတ္ သလို ေသခ်ာ ဒီဇိုင္း လုပ္ထားေလ့ ရွိတာ မို႔ ဒုကၡ လည္း မေပးလွပါဘူး။
က်န္းမာေရး လိုအပ္ခ်က္ အရ Public Pools ေတြ မွာ Lockers, Showers & Toilets Facilities ေတြ မျဖစ္မေန ပါဝင္ရပါတယ္။ ေရကူးမဲ့သူ ေတြ ကလည္း က်င့္ဝတ္စည္းကမ္း အေနနဲ႔ ေရကန္ထဲ မဆင္းခင္ Shower မွာ ေရခ်ိဳး ဘို႔ လိုအပ္ပါတယ္။ ဒါေၾကာင့္စာဖတ္သူ ကို လည္း ေရကူးကန္ထဲ မဆင္းခင္ နည္းနည္း ပိုသန္႔ သြားေအာင္ ေရေသခ်ာ ခ်ိဳး ၿပီး Bladder ထဲက ေရေတြ ကို လည္း အကုန္အစင္ နီးပါး Drainage လုပ္ ရွင္းၿပီးမွ ဆင္းဘို႔ တိုက္တြန္းလို ပါတယ္။ ေရကူးၿပီးေတာ့ လည္း Shower မွာ ေရျပန္ခ်ိဳးပါ။ ေရကူးသြားဘို႔ အတြက္၊ ေရကူးဝတ္စံု၊ တံဘက္ နဲ႔ ၊ ဆပ္ျပာ၊ ေခါင္းေလွ်ာ္ရည္ (ဘူးေသး) ေတြ ကသင့္ေတာ္ ပါတယ္။ ေရကူးဝတ္စံု က အမ်ားအားျဖင့္ ေရေဆာ့တဲ့ ေနရာကလြဲ လို႔ မရွိ မကူးရ စည္းကမ္းရွိေလ့ရွိပါတယ္။ ေရကူးမ်က္မွန္ တပ္ရင္ေတာ့ မ်က္ေစ့ အစပ္ သက္သာ တဲ့ အျပင္ ေရငုတ္တဲ့ အခါ မ်က္စိ ပသာဒ ခံစားႏိုင္ပါလိမ့္မယ္။ ) - ေရကို အဆက္မျပတ္ သန္႔စင္ ေပးႏိုင္ဘို႔ အတြက္ အေျခခံ လိုအပ္ခ်က္ေတြ ရွိပါတယ္။
- ေရေတြ ကို အၿမဲသန္႔စင္ (စစ္) ေပးႏိုင္ဘို႔ ေရကို Water Treatment System ထဲကို Circulate လုပ္ေပးမဲ့ Pumps ေတြ လိုပါတယ္။ Circulation လွည့္ေပးတဲ့ ႏႈန္း ကို Turnover လို႔ ေခၚပါတယ္။ အေသးစိတ္ ကို ေအာက္ က MEP Section မွာ ေဖာ္ျပေပးပါမယ္။
- ေရကူးကန္ အႀကီးေတြ အတြက္ Turnover က ၆ နာရီ အတြင္း ေလာက္ပါ။ အသံုးနည္းတဲ့ Private Pools ေတြ အတြက္ ၁၂ နာရီ အထိ ေပမဲ့ လက္ခံ (ေက်နပ္) ႏိုင္ေလာက္တဲ့ ရလဒ္ ကို ေပးႏိုင္ပါတယ္။ ကေလးေတြ ေဆာ့တဲ့ ခပ္တိမ္တိမ္ Wadding Pools ဆိုရင္ေတာ့ ၁ နာရီ - ၂ နာရီ ေလာက္ အတြင္း ျဖစ္ရပါလိမ့္မယ္။ (မွတ္ခ်က္။ ။ ႏိုင္ငံအလိုက္၊ ျပည္နယ္အလိုက္၊ ၿမိဳ့ အလို္က္ Code Requirements ေတြ မွာ ဒီလိုအပ္ခ်က္ ကို ေဖာ္ျပထားေလ့ ရွိပါတယ္။ လိုက္နာဘို႔ ရာလိုအပ္ပါတယ္။)
- ေရထဲ ကို ေရာက္လာမဲ့ အညစ္အေၾကး နဲ႔ ေရာဂါပိုးမႊား ေတြ ကို အျမန္ဆံုး ဓာတ္ျပဳ ႏွိမ္နင္း ေပးႏိုင္ဘို႔ လိုအပ္တဲ့ Residual Chlorine မမာဏ ကို ရရွိဘို႔။ (သိပ္မ်ားလြန္း ရင္ လည္း မ်က္ေစ႔ နဲ႔ အေရျပား ကို ဒုကၡ ေပးႏိုင္ပါတယ္။)
- ျမက္၊ ခဲ၊ သစ္ရြက္၊ ဆံပင္၊ စကၠဴ စတဲ့ အစိုင္အခဲ ေတြ ကို Treatment System ထဲမေရာက္ေစဘို႔ Lint Catcher ဇကာ။
- ေရထဲက အမႈန္အမႊား ေတြ ကို စစ္ဘို႔ Filter (Sand Filter, DE Filter, Cartridge Filters, etc.)
- ေရေပၚေပၚ ေနတဲ့ ေခါင္းလိမ္းဆီ၊ လူအဆီ၊ မိတ္ကပ္၊ ႏွပ္၊ သလိပ္၊ နဲ႔ အျခား ပစၥည္းေတြ ကို ဖယ္ထုတ္ေပး ႏိုင္ဘို႔ အတြက္ Skimmer (ေရ အေပၚယံ လႊာကို Filtration Systems အတြင္း သို႔ စုတ္ယူေစ ေသာ Fitting ျဖစ္ၿပီး ကန္အေသးစား ေတြ အတြက္ သံုးႏိုင္သည္။ ကန္ႀကီးလွ်င္ သံုးရန္ မသင့္ေတာ္။) ဒါမွမဟုတ္ Scum gutters (ကန္ေရလွ်ံ က် တာ ကို Balancing Tank (Surge Tank) ထဲသို႔ ျပန္လည္ စီးဆင္းေပး ေစမဲ့ ေရေျမာင္းငယ္။ ကန္အႀကီး - ဂါလံ ၅၀ ၀၀၀, 189 m³ အထက္ အတြက္ သံုးရသည္။ ကန္အေသးစားအတြက္ လည္း သံုးႏိုင္သည္။)
- ေရကန္ထဲ မွာ ေရေသမဲ့ ေနရာ မေပၚပဲ ေကာင္းေကာင္း လွယ္ေပးေနႏိုင္ဘို႔ အတြက္ Treatment System နဲ႔ သက္ဆိုင္တဲ့ ေရ အဝင္အထြက္ ကိုေသခ်ာ ျပင္ဆင္ရပါမယ္။ ေလးေထာင့္ပံု ဆို One Side က အဝင္ Opposite Side က ျပန္ အထြက္ ေထာင့္ျဖတ္ ထားေပးျခင္း ျဖင့္ ေရေတြ ေကာင္းေကာင္း လွည့္ေန ေစၿပီး Treatment ကိုျဖတ္ ေစရပါတယ္။ အဝင္ နဲ႔ အထြက္ ကို လည္း သိပ္မကြာေစသင့္ပါဘူး။ ဒီအတြက္ လိုအပ္တဲ့ Inlet အေရအတြက္ နဲ႔ ေနရာခ်တဲ့ ေပၚမူတည္ပါတယ္။
- ဒီလို Water Quality ကို ထိန္းသိမ္းဘို႔ နဲ႔ Health & Safety အတြက္ မျဖစ္မေန လိုက္နာရမဲ့ စည္းမ်ဥ္း စည္းကမ္း၊ ဥပေဒ ေတြ ကို ဆက္လက္ေဖာ္ျပမွာ ျဖစ္ပါတယ္။
- Environmental Health လိုအပ္ခ်က္ ေတြ အရ ေရရဲ့ Quality ကို (သံုးစြဲေနတဲ့) အခ်ိန္ျပည့္ ထိန္းသိမ္းထားေပးႏိုင္ဘို႔ လိုအပ္ပါတယ္။ Water Quality ဆိုတဲ့ ေနရာမွာ။
- Codes, Rules & Regulations
- Environment, Health and Safety လို႔ ေခၚတဲ့ ပတ္ဝန္းက်င္၊ က်န္းမာေရး နဲ႔ အႏၲရာယ္ ကင္းရွင္းေရး စတဲ့ လိုအပ္ခ်က္ ေတြ ကို ထိန္းသိမ္းဘို႔ အတြက္ လိုအပ္တဲ့ အခ်က္ေတြ ကို တိုးတက္တဲ့ ႏိုင္ငံေတြ မွာ ႏိုင္ငံအလိုက္၊ (ၿမိဳ့အလိုက္၊ ျပည္နယ္ အလိုက္) သတ္မွတ္ထားတာ ရွိပါတယ္။ အဓိက ကေတာ့ သံုးမဲ့သူ ေတြ အႏၲရာယ္ ကင္းရွင္းေစ ဘို႔ နဲ႔ အမ်ားျပည္သူ က်န္းမာေရး ကို မထိခိုက္ ေစဘို႔ပါ။
- အထူးသျဖင့္ Public Pool ေတြ အတြက္ ဒီ Code လိုအပ္ခ်က္ စည္းမ်ဥ္း ေတြ က မလိုက္နာ လို႔ မရတဲ့ စည္းမ်ဥ္းေတြပါ။ အမ်ားအားျဖင့္ Public Pool ကို Operate လုပ္ဘို႔ အတြက္ လို္င္စင္၊ ပါမစ္ လိုအပ္ၿပီး Water Quality ကို report ပံုမွန္လုပ္ရေလ့ရွိပါတယ္။ ဒါကလည္း ေဒသ အလိုက္ လိုအပ္ခ်က္ ပါ။ မလိုတဲ့ ေနရာ လည္း ရွိေကာင္း ရွိႏိုင္ ပါတယ္။
- ေနရာေဒသ အလိုက္ အခ်ိဳ႕ Regulation မွာ water quality လိုအပ္ခ်က္ နဲ႔ အမွတ္တမဲ့ ဝင္ၿပီး ေရနစ္တာ ကို ကာကြယ္ဘို႔ ျခံစည္းရိုး ခတ္တာ ေလာက္ ပဲ ျပဌန္း ထားေပမဲ့ အခ်ိဳ႕ေနရာ ေတြ မွာေတာ့ ဒီဇိုင္း အေသးစိတ္ လိုအပ္ခ်က္၊ ရွိေနတဲ့ Technology နဲ႔ ေဆာင္ရန္ ေရွာင္ရန္ အေသးစိတ္ ကို ပါ ေပးထား တတ္ပါေသးတယ္။
- အခ်ိဳ႕ ေဒသ က Regulation ေတြမွာ အျခား Safety အတြက္ Pool Water Depth ကို ပါ ကန္႔သတ္ ထားႏိုင္ပါတယ္။ ဥပမာ။ ။ ေရအနက္ 1.2m (4.0 ft) ေက်ာ္ရင္ Pool Life Guard ထားေပးရမယ္ ဆိုတာမ်ိဳးပါ။
- အခ်ိဳ႕ေဒသ ေတြ မွာ Specialist Contractor ေတြ အတြက္ အထူးလိုအပ္ခ်က္ မရွိေပမဲ့ အခ်ိဳ႕ေဒသ ေတြ မွာ Swimming Pool Specialist ျဖစ္ေၾကာင္း Licensing Process / Exam / Registeration ေတြ ကို လိုအပ္ပါတယ္။
- State of California လို Energy Conservation ကို အထူး အေလးထားတဲ့ ေဒသေတြ မွာ Energy Efficiency နဲ႔ သက္ဆိုင္တဲ့ Regulation ေတြကို ပါ သတ္မွတ္ ထားပါတယ္။ California State Energy Commission က လိုက္နာရမဲ့ သတ္မွတ္ခ်က္ ေတြ ကို ျပဌာန္း ေပးထားပါတယ္။
- ဘာစည္းမ်ဥ္း မွ သတ္မွတ္ထားတာ မရွိတဲ့ ေနရာ ဆိုရင္ေတာင္ မွ က်န္းမာေရး အတြက္ လူေတြ စိတ္ခ်လက္ခ် သံုးလို႔ ရမဲ့ ေရကူးကန္ေကာင္း ျဖစ္ေနဘို႔ လိုအပ္ပါတယ္။
- ဒီလိုအပ္ခ်က္ နဲ႔ ပတ္သက္လို႔ စာဖတ္သူ ဆက္လက္ ေလ့လာႏိုင္ဘို႔ WebLinks နဲ႔ အခ်က္အလက္ ေတြ ကို ေနာက္ပိုင္း မွာ အလ်င္းသင့္သလို ထည့္သြင္း ေဖာ္ျပေပးမွာ ျဖစ္ပါတယ္။
- ဒီဇိုင္း ကို ပါ အေသးစိတ္ သတ္မွတ္ေပး ထားတာတဲ့ Code တစ္ခု ကေတာ့ Fulton County Codes
[ http://waterworldinc.net/CodeSection/FultonCountyFiles/FultonCountyCodes.htm ] ျဖစ္ပါတယ္။
- Safety
- ပထမ ကာကြယ္ဘို႔ လိုတာ က လူေတြ ေရ မနစ္ေစဘို႔ပါ။
- အမ်ားအားျဖင့္ တစ္ေယာက္ တည္း ကူးေနတုန္း (မကူးတတ္လို႔ပဲ ျဖစ္ျဖစ္၊ ၾကြက္တက္ လို႔ပဲ ျဖစ္ျဖစ္) ေရနစ္ ရင္ ဘဝကူးဘို႔ ေသခ်ာသေလာက္ပါပဲ။ ဒါေၾကာင့္ တစ္ေယာက္ ထဲ မကူးပါနဲ႔။ အေဖာ္ နဲ႔ သြားကူးတာ က အေရးၾကံဳရင္ အကူအညီ ရပါလိမ့္မယ္။ ( ေရနစ္ခ်င္ေယာင္ ေဆာင္ၿပီး ေနာက္တာ မ်ိဳး ကို လည္း ေရွာင္ပါ။ ) ျဖစ္ႏိုင္ရင္ Lifeguard on duty ရွိေနတဲ့ အေျခအေန မွာ ကူးပါ။
- မိုးရြာေနတဲ့ အခ်ိန္ (မိုးဖြဲဖြဲက်တာ အပါအဝင္) မွာ လွ်ပ္စီး ထိႏိုင္တာ မို႔ ေရကူးကန္ ထဲ မွာ ေရမကူးသင့္ ပါဘူး။ ေရကူးကန္ (Outdoor) ေတြ က လည္း မိုးရြာ ရင္ ပိတ္ထားေလ႔ ရွိပါတယ္။
- Public Pool ေတြ မွာ အမ်ားအားျဖင့္ Lifeguard ရွိေန ဘို႔ လိုအပ္ပါတယ္။ မရွိရင္ လည္း မရွိေၾကာင္း ေရကူးတဲ့သူ ကန္ထဲ မဆင္းခင္ အလြယ္တကူ ျမင္သာတဲ့ ေနရာမွာ Notice ခ်ထားေပး ထားရ ပါတယ္။ အေရးအေၾကာင္း မွာ သံုးဘို႔ ေဘာကြင္း နဲ႔ ႀကိဳးလို အသက္ကယ္ ပစၥည္းေတြ သာ မက First Aids Kits ေတြပါ အသင့္ ထားထားေပးရပါတယ္။ ေရရဲ့ WaterQuality ကို တိုင္းဘို႔ Kits ေတြ လည္း ကန္နားမွာ အဆင္သင့္ ထားထားေပးရတတ္ ပါေသးတယ္။
- အမွတ္တမဲ့ ကန္ထဲက် ေရနစ္ ႏိုင္မဲ့ ေနရာ က ကန္ေတြကုိ သင့္ေတာ္တဲ့ ျခံစည္းရိုး ကာေပး ထားဘို႔ လိုအပ္တတ္ပါတယ္။ Private Pool ေတြ ဆိုရင္ ေတာ့ ကေလးငယ္ ေတြကို ကန္နား မွာ အမွတ္တမဲ့ မထားမိဘို႔ အထူး ဂရုစိုက္ရပါလိမ့္မယ္။
- ေရနစ္ရတဲ့ ေနာက္တစ္ခု ကေတာ့ Pump Suction ေတြမွာ ပိတ္ခ်ဳပ္မိ ေနၿပီး ေရနစ္တာပါ။ Pool အရြယ္ နဲ႔ မလိုက္ေအာင္ ေရစုတ္ အားႀကီးတဲ့ Pump ေတြပါဝင္တဲ့ Spa Pool ေတြမွာ ျဖစ္တာ ေတြ႕ရပါတယ္။
- ဒုတိယ လိုအပ္တာ ကေတာ့ Water Treatment System ေၾကာင့္ျဖစ္တဲ့ Water Quality ထိခိုက္မႈ ေတြ ကို ကာကြယ္ဘို႔ ပါ။ ျဖစ္တတ္တာေတြ ကေတာ့
- အက္ဆစ္ ေတြ မ်ားေနလို႔ အေရျပား မ်က္ေစ့ ထိခိုက္တာ
- ကလိုရင္း မ်ားလို႔ အေရျပား မ်က္ေစ့ ထိခိုက္တာ၊ အဆုတ္ ထိခိုက္တာ။
- Residual Chlorine (ေရထဲမွာ အပိုက်န္ေနတဲ့ ကလိုရင္း) နည္းလို႔ (သို႔) ထိထိေရာက္ေရာက္ Water treatment မလုပ္ႏိုင္လို႔ ဘက္တီးရီးယား အမ်ိဳးမ်ိဳး ပြားၿပီး ေရကူးတဲ့သူ ကို ဒုကၡေပးတာ။
ဒါေတြေၾကာင့္ လည္း Water Quality ကို မၾကာခန တိုင္းတာ ၿပီး Monitor လုပ္ေနရတာ ျဖစ္ပါတယ္။
- ပထမ ကာကြယ္ဘို႔ လိုတာ က လူေတြ ေရ မနစ္ေစဘို႔ပါ။
- MEP Systems
- System Components
- Swimming Pool တစ္ခု မွာ ပါဝင္တဲ့ MEP System Components ေတြ ကေတာ့
- Circulation Pumps
- Water Filters (Sand, D.E, Cartridge, etc.)
- Water Treatments Systems
- Water Balancing (Gutters + Balancing/Surge Tank System (or) Skimmers Systems)
- Water Supply Make-up and Overflow Fittings
- Pipe & Fittings (Water Inlet Nozzles, Pipings, Valves, Strainers, Main Drains, Channel Grating, Skimmers, Vacuum Inlet, etc.)
- Back Wash Holding Tank (or) Backwash Absorption Pits
- Underwater Lights (Low Voltage)
- Pool Heaters
- Electrical Control Panel
- Swimming Pool Schematics နမူနာ တစ္ခု ကိုေအာက္မွာ ေဖာ္ျပေပးထားပါတယ္။
- Circulation Pumps
- အဓိက တာဝန္ က ေရကူးကန္ ထဲ ကေရေတြ ကို Water Treatment ကိုျဖတ္ၿပီး စီးဆင္းေနေစ ဘို႔ ပါ။ သေဘာတရား ကေတာ့ အျခား Pumps ေတြ နဲ႔အတူတူပါပဲ။
- Water Treatment System ရဲ့ ရွိေနႏိုင္တဲ့ အျမင့္ဆံုး ခုခံအား (pressure head loss) မွာ လိုအပ္တဲ့ Turn Over Rate ကို ထုတ္ေပးႏိုင္ဘို႔ပါ။
- Pool Turnover Rate နဲ႔ Pool Water Volume ကေန Pump Flow rate ကိုတြက္ယူရပါမယ္။
Pump Flowrate= ( Pool Water Volume / Turn over period ) + Safety Factor(say 20%) - တြက္ခ်က္တဲ့ အခါ မွာ Unit ကိုေတာ့ ေသေသခ်ာခ်ာ သတိထား ရပါမယ္။
- Pump Head ကို တြက္တဲ့အခါ မွာလည္း Filter ေဟာင္းလာလို႔ ပိုလာမဲ့ Pressure Loss ကို ထည့္သြင္းစဥ္းစားရပါတယ္။
- Water Filters (Sand, D.E, Cartridge, etc.)
- အဓိက တာဝန္ က ေရထဲက အမိႈက္ နဲ႔ အမႈန္အမႊားေတြ ကို စစ္ထုတ္ ဘို႔ပါ။ သံုးေလ့ရွိတဲ့ အမ်ိဳးအစား ေတြ ကေတာ့။
- Cartridge Filter
- Sand Filter
- DE (Diatomaceous Earth) Filter
- Pool / Water Featurs အေသးေတြ ဆို cartridge filter က သံုးဘို႔ ျဖစ္ေကာင္း ျဖစ္ႏိုင္ပါတယ္။ ဒါေပမဲ့ အမ်ားအားျဖင့္ Sand Filter နဲ႔ DE Filter က အသံုးမ်ား ပါတယ္။
- DE (Diatomaceous Earth) Filter က ပိုၿပီး မႈန္႔တဲ့ အမႈန္အေသး ေတြ ကိုပါစစ္ေပးႏိုင္ၿပီး ပိုၿပီးၾကည္လင္ တဲ့ ေရကို ရေစပါတယ္။
- စာေရးသူ က ေတာ့ Sand Filter သံုးရတာကို ပိုႀကိဳက္ပါတယ္။ DE ေလာက္မၾကည္ေတာင္ မွာ ကန္ေအာက္ေျခ ကို ရွင္းရွင္းျမင္ရတဲ့ ေရၾကည္ၾကည္ ကို ရႏိုင္တာပါပဲ။ Maintenance လုပ္ရတာ လည္း အမ်ားႀကီး ပိုလြယ္ပါတယ္။ ေစ်းလည္း ပိုခ်ိဳပါတယ္။ ပတ္ဝန္းက်င္ အတြက္ေရာ၊ maintenance လုပ္တဲ့ သူ အတြက္ ေရာ ပိုေကာင္းပါတယ္။
- Filter ႏွစ္မ်ိဳးစလံုး က စစ္ထား တင္ေနတဲ့ အမိႈက္ေတြ ကို ျပန္ထုတ္ပစ္ဘို႔ အတြက္ Back wash လုပ္ရပါတယ္။ Sand Filter မွ သဲ ျပန္ျဖည့္ရေလာက္ေအာင္ ဆံုးရႈံး မႈ မရွိေပမဲ့ DE ကေတာ့ အတိုင္းအတာ တစ္ခု အထိ ဆံုးရႈံးတာမို႔ အပါတ္စဥ္ ျပန္ျဖည့္ (သို႔) DE makeup ထားေပးရပါတယ္။ DE က ေပါင္ဒါလို အမႈန္႔ ျဖစ္တာမို႔ သူ႕ကို ျဖည့္တဲ့ အခါ ရႈသြင္းမိရင္ အဆုတ္ ကို ဒုကၡ ေပးႏိုင္ပါတယ္။ Cancer ျဖစ္ေစႏိုင္ တယ္ လို႔ ဆိုပါတယ္။ ေနာက္ မ်က္ေစ႔ နဲ႔ အသား ယားယံတာ၊ ေလာင္တာ ေတြ ျဖစ္ႏိုင္ပါတယ္။ ေရရွည္ ထိေတြ႕ဘို႔ မသင့္ေတာ္တဲ့ ဓါတုပစၥည္း တစ္ခုပါ။ ပါးစပ္ထဲ ဝင္လို႔ မ်ိဳခ် မိရင္ေတာ့ ဒုကၡ မေပးဘူးလို႔ ဆိုၾကပါတယ္။ DE ကို ဓာတ္စာ လုပ္ေရာင္းေနတာ ေတာင္ ရွိပါတယ္။ Backwash လုပ္တဲ့ေရထဲမွာ DE ပါရင္ Environment Control အရ လက္မခံ တဲ့ ေဒသ ေတြ လည္းရွိတတ္ပါတယ္။
- အရြယ္အစား အရေတာ့ Capacity တူရင္ သိပ္မကြာ လွေပမဲ့ Sand Filter က အနည္းငယ္ ပိုႀကီး ေလ့ရွိပါတယ္။
- တည္ေဆာက္ပံု အေသးစိတ္ နဲ႔ အလုပ္လုပ္ပံု ကို ေအာက္မွာ ေပးထားတဲ့ weblinks ေတြထဲက supplier web site ေတြ မွာ သြားေရာက္ေလ့လာ ႏိုင္ပါတယ္။
- ေအာက္မွာ Sand Filter တည္ေဆာက္ပံု နဲ႔ DE Filter တည္ေဆာက္ပံု နမူနာ ေတြ ကို ေဖာ္ျပထားပါတယ္။
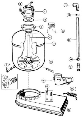
- Sand Filter တည္ေဆာက္ပံု
Ref No Description Qty. Req'd. 1 Multiport Valve 1 2 Pressure Gauge 1 3 Valve/Tank O-Ring 1 4 Flange Clamp (Valve-Tank) 1 5 Sand Shield 1 6 Lateral Assembly W/Pipe 1 7 Filter Tank (SM1700T) 1 8 Lateral-One Piece / Screw on 10 9a/9b Drain Cap Assy (1 5/16” Dia) 1 10 System Mounting Base 1 1 11 1 ½” Elbow Adapter 1 1 12 1 ½” Straight Hose Adapter 1 1 13 Hose 1 14 Hose Clamp 2 15 5/16” X 3/4” Mounting Screw Kit 2 16 Pump 1 17a /b 3' or 6' Cord Set 1 - ဒီ နမူနာ မွာ Pump ပါ တြဲရက္ ပါဝင္ေန ေပမဲ့ Pump တြဲရက္ မပါ တဲ့ (သီးျခား) Filter ေတြ ကို လည္း သံုးႏိုင္ပါတယ္။
- Sand Filter မွာ ပံုမွန္အားျဖင့္ သဲထု က အနည္းဆံုး ႏွစ္ေပ နဲ႔ Freeboard (ေနရာလြတ္) တစ္ေပ ေလာက္လိုအပ္ပါတယ္။ Freeboard လိုအပ္ရတာ က Backwash လုပ္တဲ့ အခါ အမိႈက္ေတြ ကို ေမႊၿပီး လွ်ံထုတ္ရမွာ မို႔ သဲေတြ ေရာပါသြားၿပီး ဆံုးရႈံး မသြားေစဘို႔ ျဖစ္ပါတယ္။
- D.E Filter တည္ေဆာက္ပံု
Ref No Description Qty. Req'd. 1 Manual Air Relief w/O-ring 1 2 Manual Air Relief Assembly 1 3 Pressure Gauge 1 4 O-Ring Kit 2 5 Manual Air Relief Nut 6 Upper Filter Body 7 Label Pack 8 Clamp System including:
Clamp, Clamp nut and Bolt, Hang tag,
Metal Reinforced Seal and Labels9 Clamp Bolt and Nut 10 Label Pack* 11 Metal Reinforced Seal 12 Retainer Nut 5/16”-18 13 Washer 2 14 Top Collector Manifold 15 Retainer Rod 16 Flex Air Relief Assembly 17 Outlet Elbow O-ring 18 Outlet Elbow 19 Filter Element Cluster
Assembly (Complete set of elements,
collectors, Locators, Manifold, ect.20 Filter Element 7 21 Filter Element Short 1 22 Inlet Diffuser 23 Element Spacer 24 Filter Element Locator 25 Bulkhead O-Ring 2 26 Bulkhead Fitting 2 27 Lower Filter Body 28 Label Pack* 29 Drain Plug w/ O-Ring 30 Strap Kit (Optional)
2 straps, 2 Screws31 O-Ring (2 Req.) 2 32 Variable Flow Valve (Optional) 33 Slide Valve 2” SKT (Optional)
- အဓိက တာဝန္ က ေရထဲက အမိႈက္ နဲ႔ အမႈန္အမႊားေတြ ကို စစ္ထုတ္ ဘို႔ပါ။ သံုးေလ့ရွိတဲ့ အမ်ိဳးအစား ေတြ ကေတာ့။
- Water Treatments Systems
- အဓိက က ေတာ့ ေရကို ပိုးသတ္ေပးဘို႔ ပါ။ သံုးေလ့ရွိတာ က ေတာ့ ကလိုရင္း (Chlorine) ထည့္ေပးတာပါ။
- Water Treatment System ထဲ လွည့္ေနတဲ့ ေရထဲ မွာ တင္သတ္တာ မဟုတ္ပဲ ေရကန္ ထဲမွာ ပါ အဆက္မျပတ္ ဝင္လာတဲ့ ပိုးေတြ ကို သတ္ေပးႏိုင္ဘို႔ အသင့္ ျဖစ္ေနဘို႔ အတြက္ လိုအပ္တဲ့ Residual Chlorine အၿမဲက်န္ေနေအာင္ လည္း အပိုထည့္ေပးရပါတယ္။ Residual Chlorine ကို သင့္ေတာ္တဲ့ မနည္းလြန္း မမ်ားလြန္း အေျခအေန ရေအာင္ ထည့္ေပးရပါမယ္။ [ ဒီ Limits ေတြ ကို လည္း EHS codes ေတြ မွာ သတ္မွတ္ ျပဌာန္း ထားတတ္ပါတယ္။ ဥပမာ စကၤာပူ ႏိုင္ငံ NEA Regulations အရ 1mg/ L ထက္ မနည္းရ 3mg/L ထက္ မမ်ားရ။ Ref APPENDIX 6: Water Quality Standards For Swimming Pool, Code Of Practice On Environmental Health 2005 with Addendum 1,2 &3, 2009 Jan ]
- Chlorine ထည့္ေပးတဲ့ စနစ္ အမ်ိဳးမ်ိဳးရွိပါတယ္။ ေဆးျပား (Tablet) လိုထည့္ေပးႏိုင္တဲ့ Tablet Chlorinator အေသးစား၊ Chemical Tank နဲ႔ Pump သံုးၿပီး ထည့္ေပးတဲ့ စနစ္ အျပင္ အိမ္သံုးဆား (NaCl ) ကေန ကလိုရင္း ထုတ္ ထည့္ေပးတဲ့ စနစ္ေတြ စသည္ျဖင့္ ပါ။ Chemical အေနနဲ႔ Calcium hypochlorite Ca(ClO)2 ကို လည္း အသံုးမ်ားပါတယ္။
- ေနာက္တစ္ခု က ေတာ့ PH Level ထိန္းထားဘို႔ ပါ။ ဒါကလည္း Residual (Free) Chlorine ရဲ့ ဓာတ္ျပဳမႈ Activity ေတြနဲ႔ သက္ဆိုင္ပါတယ္။ ေနာက္ လူေတြ ခံႏိုင္တဲ့ ဝန္းက်င္လည္း ျဖစ္ဘို႔ လိုပါတယ္။ Alkaline ဘက္နည္းနည္းေရာက္ ေန ဘို႔ (7.2 < pH < 8 ) လိုအပ္ပါတယ္။ [ ဒီ Limits ေတြ ကို လည္း EHS codes ေတြ မွာ သတ္မွတ္ ျပဌာန္း ထားတတ္ပါတယ္။ ဥပမာ စကၤာပူ ႏိုင္ငံ NEA Regulations အရ -pH 7.2 to 7.8 အတြင္း ထားရန္။ Ref APPENDIX 6: Water Quality Standards For Swimming Pool, Code Of Practice On Environmental Health 2005 with Addendum 1,2 &3, 2009 Jan]
- အျခားလိုအပ္တာကေတာ့ Algae (ေရညွိ) ကိုထိန္းဘို႔၊ Scale (ေရခ်ိဳးကပ္တာ) ကိုထိန္းဘို႔ နဲ႔ လိုအပ္တဲ့ အရည္အေသြး Water Quality ရေအာင္ ထိန္းႏိုင္ေအာင္ လိုအပ္တဲ့ Chemical Treatment ေတြပါ။ ကလိုရင္း ကို ထိန္းဘို႔ နဲ႔ လိုအပ္ရင္ အျခားပိုးသတ္ Chemical အခ်ိဳ႕ လည္း ထည့္သံုးဘို႔ လိုေကာင္း လိုအပ္ႏိုင္ ပါေသးတယ္။ ဒါေတြ ကေတာ့ သင့္ေတာ္တဲ့ Specialist ရဲ့ ကြ်မ္းက်င္မႈ ကို ယူရပါလိမ့္မယ္။
- Water Balancing (Gutters + Balancing/Surge Tank System (or) Skimmers Systems)
- ေရေတြ ကို ေသခ်ာ Treatment လုပ္ထားၿပီးသား ေရၾကည္ေတြ မို႔ အလဟႆ ဆံုးရႈံးမႈ မျဖစ္ဘို႔ လိုအပ္ပါတယ္။ ေရေတြ အျပင္ ကို လွ်ံထြက္က် မသြားဘို႔ လိုအပ္ပါတယ္။
- Archimedes ရဲ့ နိယာမ မွာ ဆိုထား သလို ပဲ ေရကူးတဲ့သူ ေတြ ကန္ထဲဆင္းရင္ ေရမ်က္ႏွာျပင္ က ျမင့္တက္ ရပါတယ္။ အထူးသျဖင့္ ေရကန္ အႀကီးစား ေတြ မွာ ေရကို မဆံုးရႈံးေစပဲ ေရမ်က္ႏွာျပင္ ကို ထိန္းထားခ်င္ ၾကပါတယ္။ ဒီလိုထားႏိုင္ ဘို႔ အတြက္ Balancing (Surge) Capacity ဆိုတာ ကို စဥ္းစားရပါတယ္။ Balancing လိုအပ္ခ်က္ က သံုးမဲ့ Water Circulation System Configuration ေပၚမွာ မူတည္ပါတယ္။
- Balancing စဥ္းစားတဲ့ အခါ ေရြးစရာ စနစ္ ႏွစ္ခု ရွိပါတယ္။ Balancing Tank (Surge Tank) ပါတာနဲ႔ မပါတာပါ။ မပါတဲ့ စနစ္ မွာ Skimmer Boxes ေတြ ပါေလ့ရွိပါတယ္။
- Balancing Tanks (with Scum Gutter etc.)
- Skimmer System
- ပထမ တစ္ခု က ေရမ်က္ႏွာျပင္ ကို အၿမဲ ထိန္းထား ခ်င္ရင္ Scum Gutter Overflow နဲ႔ Balancing Tank (Surge Tank) ကို သံုးရပါတယ္။ ဒီစနစ္ က ကန္အရြယ္အစား မေရြးသံုးႏိုင္ပါတယ္။

- ေရမ်က္ႏွာျပင္ အနည္းငယ္ အတက္ အက် ျဖစ္တာ (၃ - ၄ လက္မ ခန္႔) ကို လက္ခံ ႏိုင္ရင္ ေတာ့ ဒုတိယ အမ်ိဳးအစား Skimmer System ကို သံုးႏိုင္ပါတယ္။ (ေရမ်က္ႏွာျပင္ အတက္အက် ရွိတာမို႔ ကန္ေဘး မွာ ေရရာေတာ့ ထင္ ေနႏိုင္ပါတယ္။) Skimmer လို႔ေခၚရတာ က ေရအေပၚယံ ကို ပဲ ဆြဲယူေအာင္ လုပ္ထားတဲ့ Weir ပါတဲ့ Skimmer Box ရဲ့ ဒီဇိုင္းေၾကာင့္ပါ။ Pollutants ေတြ က ေရမ်က္ႏွာျပင္ မွာ ပိုမ်ားပါတယ္။ Skimmer ကို သံုးျခင္းအားျဖင့္ ဒီ Pollutant ေတြ ကို Treatment System ထဲျဖတ္ၿပီး သန္႔စင္ေပးတာ ပါ။ ဒီ Skimmer စနစ္ ကို အိမ္သံုး ကန္အေသးစား ေတြ မွာပဲ သံုးသင့္ပါတယ္။

- Balancing Tank Capacity (Required Surge Capacity) ကိုတြက္ခ်က္တဲ့အခါ ထည့္သြင္းစဥ္းစားရမဲ့ အခ်က္ေတြ ကေတာ့
- ေရကူးမဲ့သူ အရည္အတြက္ နဲ႔ ပ်မ္းမွ် အရြယ္အစား (avg 65L for Aseans, 85L for US)
- ေရလိႈင္းထု (assumed 20-25mm)
- ေရလွည့္ေပးမဲ့ စနစ္အတြက္ အရံ Allowance for Pumping System and System Recirculation Delay
- Water Supply Make-up and Overflow Fittings
- အေၾကာင္းအမ်ိဳးမ်ိဳး ေၾကာင့္ ေလ်ာ့သြားတဲ့ ေရေတြ ကို ျပန္ျဖည့္ေပး ဘို႔အတြက္ Water Supply Make-up Fittings ေတြ လိုအပ္ပါတယ္။
- Sand Filter / DE filter ေတြ Backwash (ေရ ေျပာင္းျပန္ စီးေပးၿပီး အနည္ေတြ ထြက္သြားေအာင္ Filters ေတြ ကို ေဆးေပးျခင္း။) လုပ္တဲ့ အခါ စစ္ၿပီးသား ေရကူးကန္ အတြက္ ေရ Filtered Treated Water ကို သံုးရပါတယ္။ ဒါ့အျပင္ အေငြ႕ပ်ံ လို႔ ဆံုးရႈံးတာ၊ လူေတြနဲ႔ ကပ္ပါသြားလို႔ ဆံုးရႈံးတာ၊ ကန္ေရလွ်ံလို႔ ဆံုးရႈံးတာ၊ စသည္ျဖင့္ ေရ ဆံုးရႈံးမႈ ေတြ ရွိပါတယ္။ ဒါေတြကို Make-up (ျပန္ျဖည့္ေပး) ဘို႔ အတြက္ အလိုအေလ်ာက္ ျဖည့္ေပးမဲ့ Water Supply Fittings ေတြ ထည့္ေပးရပါတယ္။ Balancing Tank (Surge Tank) ပါတယ္ ဆိုရင္ေတာ့ ေရမွတ္ Low Level တစ္ခု သတ္မွတ္ၿပီး ျဖည့္ေပးႏိုင္ပါတယ္။ ေရကူးကန္ ထဲ တိုက္ရိုက္ ျဖည့္ေပးႏိုင္တဲ့ Fittings ေတြလည္းရွိပါတယ္။
- ဒီလို Backwash လုပ္တာ က လည္း တစ္ပါတ္တစ္ခါ ေလာက္ အနည္းဆံုး လုပ္ရေလ့ရွိတာ မို႔ ေရကန္ထဲ ကေရေတြ ကို တစ္ေျဖးေျဖးခ်င္း အသစ္လဲ ေပးရလည္း ေရာက္ပါတယ္။ ဒါေၾကာင့္ ေရကူးကန္ တစ္ခုလံုး ကို ေဖာက္ထုတ္ ေရလဲ ဘို႔ ပံုမွန္ အားျဖင့္ မလိုအပ္ေတာ့တာ ျဖစ္ပါတယ္။
- Save Environment, Conserve Water ! တစ္ခု သတိထားရမွာ က ေရေတြ အပို လွ်ံထြက္ ဆံုးရႈံး မသြားရေအာင္ ဘယ္ေလာက္ျဖည့္ရမလဲ တြက္ခ်က္ ခ်ိန္ဆ ထား ဘို႔ပါဘဲ။
- Water Treatment System ထဲမွာ အေၾကာင္းအမ်ိဳးမ်ိဳး ေၾကာင့္ လိုအပ္တာထက္ ပိုေနတဲ့ေရေတြ ကို လွ်ံထြက္ေစ ဘို႔အတြက္ Overflow Fittings ေတြ လိုအပ္ပါတယ္။ ဥပမာ။ ။
- Balancing Tank (Surge Tank)ပါတဲ့ စနစ္မွာ Balancing Tank (Surge Tank) ရဲ့ Overflow အမွတ္ေက်ာ္လာရင္၊
- Balancing Tank (Surge Tank) မပါတဲ့ စနစ္မွာ ေရကန္ရဲ့ Overflow အမွတ္ေက်ာ္လာရင္
- ျဖစ္ႏိုင္ေျခ ေတြကေတာ့။
- Balancing (Surge) Capacity ကို စနစ္တက် ဒီဇိုင္းလုပ္မထားတာ။ (Treated Water သန္႔စင္ၿပီးသား ေရကို အလဟႆ ဆံုးရႈံး ေစသည္။ )
- မိုးရြာလို႔ မိုးေရဝင္ လို႔ တိုးလာတာ
- ဒီဇိုင္းလုပ္ထားတာ ထက္ ပိုတဲ့ လူေတြ ဝင္လာတာ (ဒါကေတာ့ ျဖစ္ခဲပါတယ္။)
- Pipe
& Fittings (Water Inlet Nozzles, Pipings, Valves, Strainers, Main
Drains, Channel Grating, Skimmers, Vacuum Inlet, etc.)
- Pool Water Treatment System အတြက္ Pipe & Fittings ေတြ လိုအပ္ပါတယ္။
- Water Inlet Nozzles (ကန္ထဲကို ေရထည့္ေပးဘို႔ ေရဝင္ေပါက္)
- Pipings & Fittings (ေရပိုက္ ႏွင့္ ပိုက္ဆက္မ်ား )
- Pumps Fittings (Strainers, Valves, Check Valves, Flexible Connectors, etc.)
- ကန္ထဲကေရေတြ ကို Treatment System ထဲကို စီးေပးမဲ႔ Main Drains, Channel Grating, Skimmers, etc.
- Pool Maintenance လုပ္တဲ့အခါ နံရံေတြ နဲ႔ ေအာက္ေျခ ေတြ က အမိႈက္၊ အမႈန္ အမႊား ေတြ ကို စုတ္ယူ သန္႔ရွင္း ေပး ဘို႔ Vacuum Fittings ေတြလည္း ပါဝင္ ပါတယ္။ Vacuum Fittings ဆိုတာက လည္း တကယ္ေတာ့ Filter ကို ျပန္သယ္သြားမဲ့ ေရလိုင္း ပဲ ျဖစ္ပါတယ္။
- Pool Water Treatment System အတြက္ Pipe & Fittings ေတြ လိုအပ္ပါတယ္။
- Back Wash Holding Tank (or) Backwash Absorption Pits
- Filter Backwash လုပ္တဲ့အခါ စြန္႔ထုတ္ရမဲ့ ေရရဲ့ အား က Pump Capacity ရွိသေလာက္ ဆိုေတာ့ ေရအားမ်ားတတ္တာမို႔ Drainage Line က ႏိုင္ခ်င္မွ ႏိုင္ပါမယ္။ ဒါေၾကာင့္ Drainage အတြက္ Buffer လုပ္ဘို႔ Back Wash Holding Tank (or) Backwash Absorption Pits လိုအပ္ ေလ့ရွိပါတယ္။ သူ႕ရဲ့ အရြယ္အစား ကို ေတာ့ Backwash Operation လိုအပ္ခ်က္ အရ Pump Capacity (Flowrate) x 10 minutes ေလာက္ ထားရေလ့ ရွိပါတယ္။
- Underwater Lights (Low Voltage)
- ညဘက္လို ကန္ေရထဲမွာ သဘာဝ အလင္းေရာင္ လံုလံုေလာက္ေလာက္ မရႏိုင္တဲ့ အခါ ေရကူးႏိုင္ဘို႔ ေရေအာက္မွာ မီးထြန္းေပး မဲ့ Underwater Light ေတြကို သံုးရပါတယ္။ လွ်ပ္စစ္ အႏၲရာယ္ မျဖစ္ေစဘို႔ အတြက္ ဗို႔အားနိမ့္နိမ့္ (အမ်ားအားျဖင့္ 24V ) ကိုသံုးရပါတယ္။ ေရထဲမွာ သံုးလို႔ရေအာင္ ေရလံု Water Seal ေတြပါပါတယ္။ တကယ္လို႔ မေတာ္တဆ ေရစိမ့္ဝင္ ခဲ့ရင္ေတာင္ မွ အလုပ္လုပ္ ႏိုင္ပါလိမ့္အံုးမယ္။
- အရြယ္အစား၊ ပံုစံ နဲ႔ wattage ေတြကိုေတာ့ Architect နဲ႔ညွိႏိႈင္းၿပီး ေရြးခ်ယ္ရပါမယ္။ Special Lighting Effect လိုအပ္ရင္ေတာ့ Lighting Specialist နဲ႔ တိုင္ပင္ေကာင္း တိုင္ပင္ ရႏိုင္ပါတယ္။ သူ႔အတြက္ လိုအပ္တဲ့ ေနရာ ကိုလည္း ကန္ေဆာက္တဲ့ အခါ ထည့္သြင္း စဥ္းစားထားရမွာ ျဖစ္ပါတယ္။
- Conduit ေတြဆင္တဲ့အခါ မွာေတာ့ မေတာ္တဆ ေရဝင္ခဲ့ရင္ Conduit တစ္ေလွ်ာက္ စီးထြက္ မသြားေစႏိုင္ ဘို႔ သတိထား ရပါမယ္။
- Pool Heaters
- ေနရာေဒသ ရာသီဥတု ကိုလိုက္လို႔ ျဖစ္ျဖစ္၊ သံုးစြဲသူ အႀကိဳက္ ပဲ ျဖစ္ျဖစ္ Pool Heating (Heat Pumps, Electric, Gas, etc.) ေတြ လည္း ပါဝင္ ႏိုင္ပါတယ္။ ASPE (American Society of Plumbing Engineers) Data book အရ ထားသင့္တဲ့ ကန္ထဲ က ေရအပူခ်ိန္ Design Temperature ေတြ ကေတာ့
- Minimum Acceptable = 75°F (24°C)
- Competitive Swimming and Diving = 78-82°F (25.6-27.5°C)
- Commercial (Club, Motel, Apartment): 82-90°F (27.8-32.2°C)
- Residential: 75-85°F (24-26.7°C)
- Heat Pump ေတြ ကို သံုးဘို႔ အခြင့္အေရး ရရင္ေတာ့ Energy Efficient ပိုျဖစ္ႏိုင္ပါတယ္။ DX Air-Con သံုးတဲ့ အိမ္အခ်ိဳ႕မွာ Outdoor Unit Compressor အထြက္ ကေန Heat ကို ယူသံုးတာ လည္း ေတြ႕ဘူးပါတယ္။
- Energy Conservative ျဖစ္တဲ့ State of California မွာ ဆိုရင္ေတာ့ သတ္မွတ္ထားတဲ့ Energy Efficiency Standard နဲ႔ သက္ဆိုင္တဲ့ regulations ေတြ ကို လည္း လိုက္နာရပါမယ္။
- ဒူဘိုင္း လို Energy ျဖဳန္းႏိုင္တဲ့ ႏိုင္ငံမွာ ေတာ့ Outdoor Pool ကို အေအးခံ ဘို႔ အတြက္ Chilled Water ကို Heat Exchanger ခံၿပီး ေပးတာ ေတြ႔ဘူးပါတယ္။
- ေနရာေဒသ ရာသီဥတု ကိုလိုက္လို႔ ျဖစ္ျဖစ္၊ သံုးစြဲသူ အႀကိဳက္ ပဲ ျဖစ္ျဖစ္ Pool Heating (Heat Pumps, Electric, Gas, etc.) ေတြ လည္း ပါဝင္ ႏိုင္ပါတယ္။ ASPE (American Society of Plumbing Engineers) Data book အရ ထားသင့္တဲ့ ကန္ထဲ က ေရအပူခ်ိန္ Design Temperature ေတြ ကေတာ့
- Electrical Control Panel
- Water Pumps နဲ႔ Underwater Lights ေတြ အတြက္ Electrical Control Panels ေတြ လိုအပ္ ပါတယ္။
- Electrical Safety မေတာ္တဆ ျဖစ္မႈေတြ ကို ကာကြယ္ဘို႔ အတြက္ RCCB
- Pool Circulation အတြက္ Timer
- Underwater Lights ေတြ အတြက္ Step-down transformer
- Treatment Plant အတြက္ Ventilation Fans
- Water Pumps နဲ႔ Underwater Lights ေတြ အတြက္ Electrical Control Panels ေတြ လိုအပ္ ပါတယ္။
- Swimming Pool တစ္ခု မွာ ပါဝင္တဲ့ MEP System Components ေတြ ကေတာ့
- MEP Equipments' Capacity Calculations
- MEP Components ေတြရဲ့ အရြယ္အစား ေတြ ကို ေရြးခ်ယ္ႏိုင္ဘို႔ အတြက္ တြက္ခ်က္မႈ ေတြမွာ ပါဝင္ေလ့ ရွိတာေတြ ကေတာ့ ။
- Circulation Pump Capacity Calculation
- Pump Water Flowrate
Pool Turnover Rate နဲ႔ Pool Water Volume ကေန Pump Flow rate ကိုတြက္ယူရပါမယ္။
Pump Flowrate= ( Pool Water Volume / Turn over period ) + Safety Factor(say 20%)
တြက္ခ်က္တဲ့ အခါ မွာ Unit ကိုေတာ့ ေသေသခ်ာခ်ာ သတိထား ရပါမယ္။ - Pool Water Volume
- Pool Water Volume ရွာတယ္ဆိုတာ ကေတာ့ ေရကန္ထဲ မွာ ရွိမဲ့ ေရထုထည္ ပမာဏ ကို ရိုးရိုး Volume တြက္တာပါပဲ။ Rectangle ပံုဆိုရင္ အလ်ား x အနံ x ပ်မ္းမွ် အနက္ နဲ႔ ေျမွာက္ရင္ ထုထည္ရမယ္။ Retangular မဟုတ္ရင္လည္း ကန္ကို ပ်မ္းမွ် Rectangle အပိုင္းေလးေတြ ပိုင္းတြက္ လို႔လည္း ရပါတယ္။ AutoCAD နဲ႔ဆုိရင္ေတာ့ Area (ဧရိယာ) ကို ဆြဲတဲ့ပံု အတိုင္း တိတိက်က် တိုင္းေပးႏိုင္ပါတယ္။
- Safety Factor က အၿမဲထည့္စဥ္းစား မွာမို႔ လက္ခံႏိုင္တဲ့ အနီးစပ္ဆံုး ရရင္ အဆင္ေျပပါၿပီ။ ဒႆမ ဂဏန္း နဲ႔ အတိအက် (အခ်ိန္ အပိုအကုန္ခံၿပီး) လိုက္တြက္ေနဘို႔ မလိုအပ္ပါဘူး။ ဒါေၾကာင့္ US gal နဲ႔တြက္တဲ့ အခါ 7.5 gal / ft3 နဲ႔တြက္တာ ျဖစ္ပါတယ္။
- Depth က တူရင္ေတာ့ Area x Depth Depth မတူရင္ ဘယ္နည္း နဲ႔ Average Depth အနီးစပ္ ဆံုးရေအာင္ စဥ္းစားမလဲ တြက္ခ်က္ ရမွာျဖစ္ပါတယ္။
- http://www.waterwarehouse.com/ ကေပးထားတဲ့ နမူနာ အလြယ္ တြက္နည္း ကိုေအာက္မွာ ေဖာ္ျပေပးထားပါတယ္။
- ဒါကို SI Units မွာေျပာင္းၾကည့္မယ္ ဆိုရင္။
Pump Flowrate တြက္တဲ့ အခါ Litres ေျပာင္းဘို႔ လိုအပ္ႏိုင္ပါတယ္။ 1 m³ မွာ 1,000 Litres ရွိပါတယ္။
- Pump Head
- Pump Head ကို တြက္တဲ့အခါ မွာ ေတာ့ Static Head နဲ႔ Pipe & Fitting Losses ေတြ ကိုစဥ္းစားေပးရပါမယ္။ စဥ္းစားတဲ့ အခါ Filter ေဟာင္းလာလို႔ ပိုလာမဲ့ Pressure Loss ကိုပါ ထည့္သြင္း စဥ္းစားေပးရပါမယ္။
- California Energy Commission - 2008 Building Energy Efficiency Standards မွာ ေတာ့ ဒီလို ေပးထားပါတယ္။
H = C x F²- H is the total system head in feet of water.
- F is the flow rate in gallons per minute (gpm).
- C is a coefficient based on the volume of the pool:
- 0.0167 for pools less than or equal to 17,000gallons.
- 0.0082 for pools greater than 17,000gallons.
- Pump Water Flowrate
- Filter Capacity Calculation
- Filter Area ကို Regulation အခ်ိဳ႕မွာ ဒီလို ကန္႔သတ္ထားပါတယ္။
Filter factors (gpm/ft²):
သတိျပဳရန္။ ။ Unit က (gpm/ft²) ပါ။ SI Unit အတြက္ 1 gpm/ft²= 40.74 lpm/m² ျဖစ္ပါတယ္။CA Title 24: 2008 Fulton County Cartridge 0.375 0.375 Sand 15 14 to 16 Diatomaceous Earth 2 1
Manufacturer's Recommendation ကေတာ့ ဒီ့ထက္ အနည္းငယ္ ပိုႏိုင္ပါတယ္။ - ဒီဇယားအရ Filter Area ေတြ ကို ယွဥ္ ၾကည့္ရင္ ကေတာ့ DE Sand Filter ထက္ ဧရိယာ ၇ ဆခြဲ ကေန ၁၅ ဆ ေလာက္ ထိ ပိုလို ပါတယ္။
- ဒါေပမဲ့ တည္ေဆာက္ပံု အရ ျပန္ၾကည္႔ရင္ အရြယ္ တူရင္ DE Filter ရဲ့ Area က Sand Filter ထက္ ၁၀ ဆ ကေန ကေန ၁၅ ဆ မက ပိုရွိႏိုင္ ပါတယ္။
- ဒါေၾကာင့္ Capacity တူရင္ အရြယ္အစား အရ ေတာ့ သိပ္မကြာ လွေပမဲ့ Sand Filter က အနည္းငယ္ ပိုႀကီး ေလ့ရွိပါတယ္။
- Sand Filter အတြက္ ကေတာ့ ဒီလို တြက္လို႔ရတဲ့ ဧရိယာ က Cylinder ရဲ့ စက္ဝိုင္း ဧရိယာ ျဖစ္ၿပီး Filter Diameter ကို A = π d² / 4 ကေန ခပ္လြယ္လြယ္ ျပန္ရွာႏိုင္ပါတယ္။ အျခား Filter ေတြ အတြက္ ကေတာ့ Manufacturer's Technical Data ကို မွီျငမ္းရပါမယ္။
- Filter Area ကို Regulation အခ်ိဳ႕မွာ ဒီလို ကန္႔သတ္ထားပါတယ္။
- Balancing (Surge) Capacity Calculation
- Bather Load
- ဒါကို သိဘို႔ အတြက္ ေရကူးမဲ့သူ အရည္အတြက္ နဲ႔ ပ်မ္းမွ် အရြယ္အစား ကို သိထားဘို႔ လိုအပ္ပါတယ္။ ပ်မ္းမွ် အားျဖင့္ (avg 65L for Aseans, 85L for US) ပါ။ အေရအတြက္ ကို တြက္တဲ့ အခါ မွာ Bathing Load Density လို႔ေခၚတဲ့ သတ္မွတ္ခ်က္ ကို သိဘို႔ လိုအပ္ျပန္ပါတယ္။ Bathing Load Density က ေနရာေဒသ အလိုက္ Regulation သတ္မွတ္ခ်က္ ရွိႏိုင္ပါတယ္။ အၾကမ္းခန္႔မွန္း ဘို႔ အတြက္ ကို ေအာက္က ဇယားမွာ ေပးထားပါတယ္။
Ref: The Swimming Pool Operators and Owners Resources Pages, UK [http://www.caromal.co.uk/Resource Page 1.HTM]Water Depth Bather Load (m² / person) Shallow Water (under 1m deep) 2.2 (23.7 square feet) Standing Water (1 - 1.5 m deep) 2.7 (29 square feet) Deep Water (over 1.5 m deep) 4.0 (43 square feet) Very Deep Water (over 2 m deep) 4.0 OR Maximum DESIGN Bather load (whichever is less)
ကိုယ္သံုးမဲ့ ေဒသ ရဲ့ Regulation သတ္မွတ္ခ်က္ နဲ႔ ႏိႈင္းယွဥ္ၾကည့္ဘို႔ မေမ့ပါနဲ႔။ Private Pool အတြက္ ဆိုရင္ေတာ့ ေအးေအးေဆးေဆး ကူးဘို႔ ပဲ ရည္ရြယ္တာ မို႔ ဒီေလာက္ လူဦးေရ စိတ္ဘို႔ လိုမွာ မဟုတ္ပါဘူး။ ဒါေၾကာင့္ ပိုင္ရွင္ရဲ့ လိုအပ္ခ်က္ ေပၚၾကည့္ၿပီး လူဦးေရ ကို သင့္ေတာ္သလို ေလွ်ာ့ခ် ႏိုင္ပါတယ္။
- ဒါကို သိဘို႔ အတြက္ ေရကူးမဲ့သူ အရည္အတြက္ နဲ႔ ပ်မ္းမွ် အရြယ္အစား ကို သိထားဘို႔ လိုအပ္ပါတယ္။ ပ်မ္းမွ် အားျဖင့္ (avg 65L for Aseans, 85L for US) ပါ။ အေရအတြက္ ကို တြက္တဲ့ အခါ မွာ Bathing Load Density လို႔ေခၚတဲ့ သတ္မွတ္ခ်က္ ကို သိဘို႔ လိုအပ္ျပန္ပါတယ္။ Bathing Load Density က ေနရာေဒသ အလိုက္ Regulation သတ္မွတ္ခ်က္ ရွိႏိုင္ပါတယ္။ အၾကမ္းခန္႔မွန္း ဘို႔ အတြက္ ကို ေအာက္က ဇယားမွာ ေပးထားပါတယ္။
- Wave Volume ေရလိႈင္းထု
- Pool Area နဲ႔ ေရလိႈင္းထု ကို ေျမွာက္ရင္ Wave Volume ကိုရပါတယ္။ ေရလိႈင္းထု ကို 20 ကေန 25mm ေလာက္ Assume လုပ္ပါ။
- Allowance for Pumping System and System Recirculation Delay (ေရလွည့္ေပးမဲ့ စနစ္အတြက္ အရံ)
- Balancing Tank (Surge Tank) သံုးရတဲ့ ေနရာေတြ မွာ Pump ကေရလွည့္ ေပးတာ နဲ႔ ကန္ထဲက ေရလွ်ံ ၿပီး ျပန္က် လာမဲ့ အခ်ိန္ အတြင္း အခ်ိန္ အနည္းငယ္ လိုပါတယ္။ ဒီအတြက္ Pump တစ္မိနစ္ စာ ေလာက္ အရံ ခ်န္ထားသင့္ပါတယ္။
- ဒါ့အျပင္ Pump ေတြ က လည္း ေရနည္းရင္ Vortex ေပၚၿပီး ေလကို ပါစုတ္သြင္း တဲ့ အခါ Cavitation ျဖစ္ႏိုင္တာမို႔ ဒီလို မျဖစ္ေအာင္ အနိမ့္ဆံုး ထားထားရမဲ့ Water Level တစ္ခု ရွိပါတယ္။ ဒါကို ေတာ့ Balancing Tank (Surge Tank) ဒီဇိုင္းလုပ္တဲ့ အခါ ထည့္သြင္း စဥ္းစားရမွာ ျဖစ္ပါတယ္။
- Balancing (Surge) Capacity တြက္ထုတ္ပံု နမူနာ ကို ေအာက္မွာ ေဖာ္ျပေပးထားပါတယ္။
Assumptions
Bather Volume, v0 = 0.06 m³/person ( 60 L / person )
Water Wave Height , h = 0.025 m (25mm)Sr. Pool ID Pool Size Bathing Load Balancing Water Volume Area Depth Volume ( m²/
person)Persons Bathers Wave Total (m²) (m) (m³) (m³) (m³) (m³) A D V =
AxDL *N=
A/L)v1=
Nxv0v2=
Axhv3=
v1+v21 Public Pool 300 1.4 420 2.7 112 6.7 7.5 14.2 2 Private Pool 1 40 1.1 44 5.0 8 0.5 1 1.5 3 Children (Wading) Pool 30 0.4 12 - - - 0.75 0.75 - ေရကူးသူ ဦးေရ Bather Load *N ကို ေတာ့ integer (ကိန္းျပည့္) ထားဘို႔ အတြက္ round up လုပ္ေပးရပါမယ္။
- Children (Wadding) Pool ဆိုတာကေတာ့ ကေလးေတြ ကူးဘို႔ ထက္ ေရတိမ္တိမ္ မွာ ေဆာ့ဘို႔ ပါ။ အမ်ားအားျဖင့္ ၁၈ လက္မ (450mm) ထက္ ပိုမနက္ ရပါဘူး။ သူ႔မွာ ကေလးေတြ ဆင္းေဆာ့တဲ့ အတြက္ Bather Volume အနည္းငယ္ ရွိမွာျဖစ္ေပမဲ့ Wave Volume နဲ႔တင္ လံုေလာက္ပါလိမ့္မယ္။ သူ႔အတြက္ Turn Over ကေတာ့ ျမန္ဘို႔ လိုအပ္ပါတယ္။ ( ၁ နာရီ - ၂ နာရီ)
- Balancing Tank (Surge Tank) ကို ဒီဇိုင္းလုပ္တဲ့ အခါ သိဘို႔ လိုအပ္တဲ့ အခ်က္ေတြ ကို ေအာက္မွာ ေဖာ္ျပေပးထားပါတယ္။

Dimension Description Value A Clearance Below Pump Suction Fitting 75-100 mm B Minimum Water Level to avoid Cavitation 300 mm (or) Pump Requirements C Pool Balancing Active Height Calculate from Balancing Volume D Make-up Range 100 mm (and) < C E Clearance Below Strainer Busket > 50 mm F Clearance Below Overflow Pipe 25 mm G Water Inlet above Top of Overflow Pipe 25 mm - Pool Balancing Active Height (C) ကို ဒီလို တြက္ယူ ႏိုင္ပါတယ္။
Pool Balancing Active Height (C) = Balancing Volume / Balancing Tank Area - Make-up Range D ကေတာ့ မလိုအပ္ပဲ ေရပို မျဖည့္ရေလေအာင္ ထိန္းဘို႔ပါ။ ေရကို အေလအလြင့္ ပိုနည္းေစဘို႔ အတြက္ ျဖစ္ႏိုင္ရင္ Make Up Range (D) ကို Active Height (C) အတြင္းမွာ မထားပဲ သီးသန္႔ ထည့္သြင္းစဥ္းစား ေပးသင့္ ပါတယ္။
- Make-up Fitting အဝင္ရဲ့ အထက္ မွာလည္း FreeBoard Space အနည္းငယ္ ရွိဘို႔ လိုအပ္ပါတယ္။
- Pool Balancing Active Height (C) ကို ဒီလို တြက္ယူ ႏိုင္ပါတယ္။
- Balancing for Skimmer Systems
- ဒီ စနစ္မွာ အေရးႀကီးတာ က Make-up နဲ႔ Overflow Level ႏွစ္ခု ကို ေသခ်ာ ေရြးခ်ယ္တတ္ဘို႔ ပါ။
- စဥ္းစားတဲ့ အခါ Bather Load နဲ႔ Wave Volume အတြက္ ရယ္။ Flap Weir / Floating Weir အလုပ္လုပ္ မဲ့ အေျခအေန ကို ထည့္သြင္း စဥ္းစားေပးရပါမယ္။ ၿပီးရင္ TWL (Top Water Level) အထက္ ကို Overflow Level လို႔ သတ္မွတ္၊ LWL (Low Water Level) ရဲ့ေအာက္ ဆို Make-up လို႔ သတ္မွတ္ရပါမယ္။

- Free Board Height = T.W.L – L.W.L C ကို လိုခ်င္ရင္ တြက္ရမွာ ကေတာ့
Free Board Height = Balancing Volume / Pool Area - တစ္ခါတစ္ရံ ကန္ေရမ်က္ႏွာျပင္ က Floating Weir ေအာက္နိမ့္သြား ႏိုင္လို႔ Skimmer ထဲ ေရမဝင္ ႏိုင္တဲ့ အေျခအေန မ်ိဳးျဖစ္လာရင္ ကန္ထဲက ေန Skimmer ေအာက္ေျခ ကို Balancing Pipe တစ္ေခ်ာင္း သြယ္ေပးရႏုိင္ပါတယ္။
- Bather Load
- Pipe Sizing
- Regulation အရ သတ္မွတ္ခ်က္ မရွိရင္ ပိုက္အရြယ္အစား ေရြးခ်ယ္တဲ့ နည္းကေတာ့ Domestic Water Supply နဲ႔ Sanitary Drainage ေတြမွာ ေရြးတဲ့ အတိုင္း ေရြးခ်ယ္ႏိုင္ပါတယ္။
- ပိုက္အရြယ္အစား ေရြးခ်ယ္ႏိုင္ဘို႔ Fulton County ကေတာ့ Maximum Flow velocity ကို ဒီလို သတ္မွတ္ ထားပါတယ္။
- Pressure piping : < 10 fps
- Vacuum lines : < 5 fps
- California Energy Commission - 2008 Building Energy Efficiency Standards မွာ ေတာ့ ဒီလို ေပးထားပါတယ္။
- Return line : < 8 fps
- Suction line : < 6 fps
- ဒီ Standard ကို အေျခခံ ထားတဲ့ 2008 Residential Compliance Manual မွာေတာ့ ပိုက္အရြယ္အစား ကို တစ္ခါထဲ သတ္မွတ္ေပးထားပါတယ္။
Table 5-3 – 6-Hour Turnover Pipe SizingPool Volume (gallons) Minimum Pipe Diameter (in) Min Max Return Suction - 13,000 1.5 1.5 13,000 1,7000 1.5 2 17,000 21,000 2 2 21,000 30,000 2 2.5 30,000 42,000 2.5 3 42,000 48,000 3 3 48,000 65,000 3 3.5 - Gravity / Gradient Flow Line ေတြ ကို ေတာ့ Manning Equation နဲ႔ ျဖစ္ျဖစ္ Gradient Flow Chart ေတြနဲ႔ ပဲျဖစ္ျဖစ္ Size လုပ္ႏိုင္ပါတယ္။
- System Components
- Other Pools & Fish Ponds
- Pools for Water Sports: အိုလံပစ္ ေရကူးကန္ မ်ား။
- Swimming Competition, Diving, Water Polo, Synchronized Swimming အစ ရွိတဲ့ အားကစား ေတြ အတြက္ သံုးတဲ့ Swimming Pool ပါ။ တင္းက်ပ္တဲ့ Rules ေတြ နဲ႔ အတိုင္းအတာ Tolerances သတ္မွတ္ခ်က္ေတြ ရွိပါတယ္။
- အိုလံပစ္ အားကစား ေတြ အတြက္ သံုးမဲ့ Pool ေတြ အတြက္ စံ ေတြ ကို သတ္မွတ္ ေပးထားတဲ့ အဖြဲ႔အစည္း ကေတာ့ Fédération Internationale de Natation (FINA) ပါ။ (Fédération Internationale de Natation (FINA) is the International Federation (IF) recognized by the International Olympic Committee (IOC) for administering international competition in the aquatic sports (its name translated from French is "International Swimming Federation").
- ဒီ သတ္မွတ္ခ်က္ ေတြ ကို fina.org web site မွာ FINA Facilities Rules ဆိုၿပီး တင္ေပးထားပါတယ္။
FINA Facilities Rules [http://www.fina.org/project/index.php?option=com_content&task=view&id=51&Itemid=119] - အလုပ္တစ္ခု မွာ လိုအပ္ခ်က္ အရ ဒီလို Swimming Pool မ်ိဳးကို ဒီဇိုင္း လုပ္တဲ့ Specialist နဲ႔ အေျခခံ ဒီဇိုင္း တြဲလုပ္ဘို႔ အခြင့္အေရး ရခဲ့ ဘူးပါတယ္။ သူ႔ရဲ့ Idea ကို ျပန္မွ်ေပးလိုက္ပါတယ္။

- Competition Pool နဲ႔ Diving Pool ကို အရွည္လိုက္ တြဲပါတယ္။
- Specialist ဒီဇိုင္း လုပ္တာ ကေတာ့
- Turn Over = 4 hr
- Water Inlet Bottom Inlet, Slowly
- Balancing Tank (Surge Tank) at One Edge of the Pool : No Scum Gutter Required, Direct to the Balancing Tank
သူ႔ရဲ့ Balancing Tank (Surge Tank) ထားတဲ့ ပံုရဲ့ အေၾကာင္းရင္း ကေတာ့ ေရက မ်က္ႏွာျပင္ ညီေအာင္ သူ႔ဖာသာ အလိုလို ညွိပါတယ္။ ပိုတဲ့ ေရက ဘယ္ဘက္က ျဖစ္ျဖစ္ လွ်ံက်မွာ ပါပဲ။ (မွတ္ခ်က္။ ။ Public Pool မွာ ေတာ့ Regulation အရ ဒီအခ်က္ အက်ံဳးဝင္ခ်င္မွ ဝင္ပါမယ္။)သူေျပာခဲ့တာ က "This is the beauty of water. "။
- ဒါ့အျပင္ ကစားနည္းကို လိုက္ၿပီး ေရအနက္ ကို ညွိႏိုင္ဘို႔ Pool ေအာက္ေျခ ကို လိုသလို ႏွိမ့္လို႔ ျမွင့္လို႔ ရေအာင္ လုပ္တာ။ ေရေအာက္ ကင္မရာ တတ္ဆင္ဘို႔ စတာေတြ ကို လည္း စဥ္းစားေပး ရပါတယ္။
- Water Treatment ကို လည္း တင္းက်ပ္တဲ့ သတ္မွတ္ခ်က္ ေတြ နဲ႔ ထိန္းေပးဘို႔ လိုအပ္ပါတယ္။ Specialist မွီျငမ္းတဲ့ Standard ကေတာ့ The Pool Water Treatment Advisory Group (PWTAG) ရဲ့ Treatment and quality standards for pools and spas ျဖစ္ပါတယ္။
PWTAG Website [ http://www.pwtag.org/home.html ] - အေသးစိတ္ ဒီဇိုင္း လုပ္ဘို႔ အခြင့္အေရး ေတာ့ မရလိုက္ပါဘူး။
- Swimming Pool vs Fish ponds
- ေနာက္တစ္ခု သိထားသင့္တာ ကေတာ့ ေရႊငါးကန္ နဲ႔ Swimming Pool လံုးဝ မတူဘူး ဆိုတာပါ။ ငါးေတြ ကို ေမြးတဲ့ အခါ ငါးေတြရဲ့ အညစ္အေၾကး မွာ ပါတဲ့ အထူးသျဖင့္ ႏိုက္ထရိုတ္ ဓာတ္ေပါင္း ေတြ ကို ေျဖေပးဘို႔ Biological Filter ေတြ လိုအပ္ပါတယ္။ ငါး အမ်ိဳးအစား ကို လိုက္ၿပီး ေရရဲ့ Quality ကို ထိန္းေပးဘို႔ လည္း လိုအပ္ပါတယ္။ ငါးေတြ နဲ႔ သင့္ေတာ္တဲ့ ပတ္ဝန္းက်င္၊ Aquatic Plants ေရေပၚေရေအာက္ အပင္ ေတြ ရွင္သန္ဘို႔ အတြက္ လည္း စဥ္းစားရပါမယ္။
- Swimming Pool ေရထဲမွာ ပါတဲ့ Chlorine ကေတာ့ ငါးေတြ အတြက္ အဆိပ္ပါပဲ။ အသံုးမ်ားတဲ့ Biological Filter ေတြကလည္း ငါးေတြရဲ့ အညစ္အေၾကး ေတြ မွာ ပါတဲ့ အမိုးနီးယား နဲ႔ nitrites ေတြကို nitrate ေတြအျဖစ္ ေျပာင္းေပးႏိုင္မဲ့ Bacteria ေတြကို ထည့္သြင္း အသံုးခ် ေလ့ရွိပါတယ္။ Chlorine က သူတို႔အတြက္ လည္း ရန္သူ ျဖစ္ပါတယ္။
- ဒါေၾကာင့္ Swimming Pool နဲ႔ ငါးအလွေမြး ကန္ အတြက္ Treatment System ကို ေပါင္းလို႔ မျဖစ္ႏိုင္ ပါဘူး။
- ေရကူးကန္ နဲ႔ ငါးအလွကန္ ကို ယွဥ္ရဲ့ ထားထားတဲ့ Project တစ္ခု မွာ ေရကူးကန္ ကို Service လုပ္ရင္း ေရကူးကန္ထဲက ေရေတြ ငါးကန္ ထဲ နည္းနည္းဝင္သြားတာ နဲ႔ ငါးေတြ ေလွ်ာ ကုန္ လို႔ ကန္ထရိုက္တာ အႀကီးအက်ယ္ ေလ်ာ္လိုက္ရတယ့္ သတင္းတစ္ခု ၾကားဘူးပါတယ္။ ဒီ (Koi Fish လို ေရႊငါးေတြ က အင္မတန္ ေစ်းႀကီးႏိုင္ ပါတယ္။)
- Other Pools and Some Notes
- Water Fountains, Water Fall, Water Features and Display စတာ ေတြ ကပ္ပါလာၿပီ ဆိုရင္ အဲဒီမွာ လိုခ်င္တဲ့ Display Pattern ကို ရဘို႔ အတြက္ Pump Capacity ကို သတ္သတ္တြက္ယူရမွာ ျဖစ္ပါတယ္။ အမ်ားအားျဖင့္ Water Treatment အတြက္ လိုအပ္တဲ့ Circulation Pumps ေတြ နဲ႔ မလံုေလာက္ ပါဘူး။ ဒါေၾကာင့္ လိုအပ္တဲ့ Display Pattern ရႏိုင္မဲ့ Pump Set ေတြ ကို သီးသန္႔ ဆင္ေပးဘို႔ လိုအပ္ပါတယ္။ သီးျခားစီ ထားျခင္းအားျဖင့္ Control လုပ္လို႔ ပိုေကာင္းပါတယ္။
- Spa Pools: Spa Jet ေတြ ပါခဲ့ရင္ လည္း ျဖစ္ႏိုင္ရင္ သီးသန္႔ Pumps ေတြ တပ္ဆင္ ထားေပးသင့္ ပါတယ္။
- Leisure Pool လို႔ေခၚတဲ့ အေပ်ာ္ေဆာ့ ကန္ ေတြမွာ လိႈင္းလံုးေတြ ကို ဖန္တီးေပးတာက ေတာ့ BAS (Building Automation Systems) နဲ႔ ထိန္းထားတဲ့ Automatic Controlled Blower ေတြပါ။ သူ႔ရဲ့ သေဘာတရား က လည္း Wave Travels but Water does not. Water Only Moves Up and Down. ျဖစ္ပါတယ္။
- ေရစပ္ ကေန ေလွ်ာေစာက္ ေျပေျပ နဲ႔ ေရတိမ္ကေန ေရနက္ကို တစ္ေျဖးေျဖးခ်င္း နိမ့္ဆင္းသြားတဲ့ ေရကန္ေတြ ကိုေတာ့ Zero Entry Pool လို႔ေခၚေလ့ ရွိပါတယ္။
- ဒီေလာက္ဆိုရင္ စာဖတ္သူ ဆက္လက္ေလ့လာ ဘို႔ အတိုင္းအတာ တစ္ခု အထိ ေရာက္ၿပီ လို႔ ေမွ်ာ္လင့္ ပါတယ္။ ကိုယ္ပိုင္ ေရကူးကန္ ရဲ့ ပံု ကို Online ဆြဲၿပီး စိတ္ကူးယဥ္ ႏိုင္ဘို႔ Link တစ္ခု ကို ေအာက္မွာ ေပးထားပါတယ္။
My Dream Pool by Hayward Pool Products [ http://www.mydreampool.com/ ] - အျခားအဆင့္ ေတြ အတြက္ Checklist ေတြ ကို ေအာက္မွာ ဆက္ေပးထားပါတယ္။ ႀကံဳရင္ ေတာ့ ထပ္ျဖည့္ ေပးပါမယ္။ အခုေတာ့ ဒီေလာက္နဲ႔ တင္ နားခြင့္ျပဳပါ။
- Pools for Water Sports: အိုလံပစ္ ေရကူးကန္ မ်ား။
- Construction
- Coordination with Architects & Structural Engineers
- Aesthetic (Architectural Appeal)
- Spaces for MEP Systems, Equipment Logistic Routes
- Ventilation for Filtration Plant
- Water Pressure vs Structure (similar to water tanks)
- Before Concreting: Installation of Pipe Spools, Box-ups for Pool Fixtures and Lighting, Electrical Conduits, etc.
- Water Proofing Installations to prevent water leaks ( water proofing membrane, double slabs, puddle flanges, etc.)
- Pool Maintenance
- Cleaning / Vacuum
- Filter Backwash
- Water Quality Check
- System Check
- Pool Winterizing [ http://www.poolandspa.com/page107.htm ]
- Natatoriums - HVAC
- Evaporation Rate Calculation
- Environment Control and Humidity Removal
- References
Web-Links- Code & Regulations
- National Swimming Pool Foundation, USA: Code Links [ http://www.nspf.org/Codes_Links.html ]
- NEA Singapore - Code Of Practice On Environmental Health 2005 with Addendum 1,2 & 3 Chapter 7 Swimming Pool, 2009 Jan
[ http://app2.nea.gov.sg/cop_copeh_sp.aspx ] - NEA Singapore - Swimming Pool License
[ http://app2.nea.gov.sg/onlinesvcs_swimmingpool.aspx ] - NEA Singapore - Swimming Pool License Renewal Application
[ http://app2.nea.gov.sg/NEADownload.aspx?res_sid=20081202770387696494 ] - USA, Georgia Counties: Codes Lists
[ http://waterworldinc.net/CodeSection/CountyList.htm ] - USA : Georgia Counties: Fulton County Codes
[ http://waterworldinc.net/CodeSection/CountyList.htm ] - USA : California Energy Commission - Resource Library [ http://www.title24learning.com/page.php?pg=resourselibrary.php ]
-
Western Australia : Code of Practice for the Design, Construction,
Operation, Management and Maintenance of Aquatic Facilities (October
2009) pdf download
[ http://www.public.health.wa.gov.au/cproot/1893/2/CODE OF PRACTICE-AQUATIC FACILITIES 2009.pdf ] -
Western Australia : Code of Practice for the Design, Construction,
Operation, Management and Maintenance of Aquatic Facilities (October
2009) Online
[ http://www.public.health.wa.gov.au/3/914/2/code_of_practice.pm ]
- Reference Standards
- Olympic Standards : Fédération Internationale de Natation (FINA)
[ http://www.fina.org/project/index.php?option=com_content&task=view&id=51&Itemid=119 ] - Anthropometrics: (United States Swimming)
[ http://www.usaswimming.org/USASWeb/DesktopDefault.aspx?TabId=234&Alias=rainbow&Lang=en ] - PWTAG : Treatment and quality standards for pools and spas
[ http://www.pwtag.org/home.html ] - USA : California Energy Commission - 2008 Building Energy Efficiency Standards
[ http://www.energy.ca.gov/2008publications/CEC-400-2008-001/CEC-400-2008-001-CMF.PDF ]
- Olympic Standards : Fédération Internationale de Natation (FINA)
- Online Articles
- Swimming Pool Fundamentals.html [ http://www.watermaid.ca/swimming-pool-fundamentals.html ]
- USA : Georgia Counties: Fulton County Codes (Good Reference)
[ http://waterworldinc.net/CodeSection/CountyList.htm ] - Wiki Swimming_pool [ http://en.wikipedia.org/wiki/Swimming_pool ]
- Pool Operations [ http://www.jazziepools.com/services/poolops.asp ]
- Swimming Pool Sanitation Article
[ http://www.pressreleasepoint.com/swimming-pool-sanitation-make-your-swimming-pool-clean-and-safe-health ] - Pool Care Guide: from Doheny’s Water Warehouse
[ http://www.waterwarehouse.com/swimming-pool-care-guide.aspx ] - The Swimming Pool Operators and Owners Resources Pages, UK
[ http://www.caromal.co.uk/Resource Page 1.HTM ]
- Pool Fittings Manufacturers / Suppliers
- Code & Regulations

No comments:
Post a Comment